Wageningen University & Research | FEM-31806 | Models for Ecological Systems | FEM | PPS | WEC
Start with reading the introduction of mini-Forest as provided in the document Introduction mini-model CO2Fix.pdf on Brightspace. It provides an introduction of the key processes and equations. On Brightspace you will also find a document with only the equations: Mathematical description mini-model CO2Fix.pdf.
The mini-models were derived from published models. The papers describing them are also provided on Brightspace. It is good to read them too. They give an impression of how models can be used.
Perform unit analysis of the model. We recommend to enter the units below every equation and check whether units at the left and right side of the equation are equal. It is recommended to start with auxiliary equations, and then continue with the differential equations. You can directly write these units aligned with the equations in a word document.
Remark: Note that unit analysis is more informative than dimension analysis. In dimension analysis you may for instance refer to length, time and mass. In unit analysis, you would refer to length by (for instance) meters, time by seconds, and mass by grams. Moreover, you better specify the unit analysis by adding the biological, physical or chemical meaning for a variable. For example, we should write for the leaf area index of a vegetation “m2 leaf area m-2 soil”, because this is more informative than only “m2 m-2”, and this improves the model check.
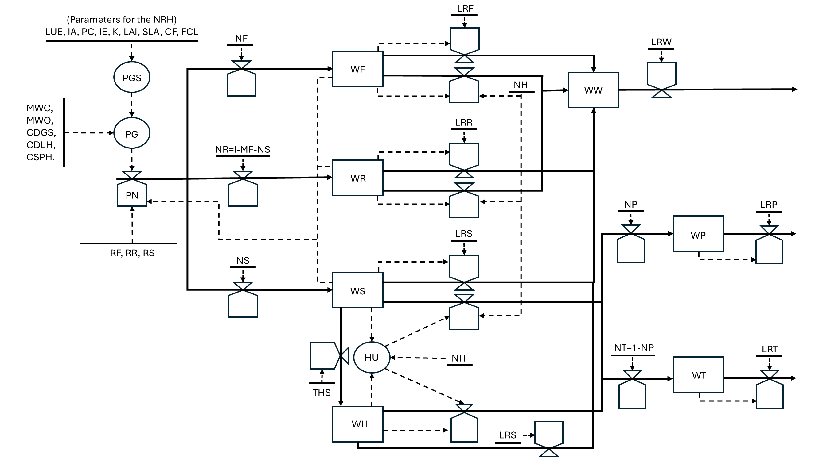
The conceptual diagrams for this model could look like this:
Conceptual mini-model according to a state-flow-diagram. Rectangles are state variables and arrows are flows (i.e. processes).
Conceptual mini-model according to Forrester. Rectangles are state variables, circles are auxiliary variables for intermediate calculations, full arrows are material flows and dashed arrows are information flows (See syllabus Chapter 2, Fig. 2.3).
